Multiplicador hidráulico manual Multiplicador hidráulico manual con acopladores y racores macho de estilo pionero. Los accesorios adaptadores se ajustan para permitirle conectarse directamente al puerto SCV de su tractor.
SKU: HM1-08-CF2
Características:
- La empuñadura gira 45 grados para cambiar entre el Circuito 1 y el Circuito 2
- Funciona con cilindros de doble o simple efecto
- Puede utilizarse en sistemas hidráulicos abiertos, cerrados o FPC
- Capacidad para un caudal hidráulico de hasta 20 GPM y 3000 PSI
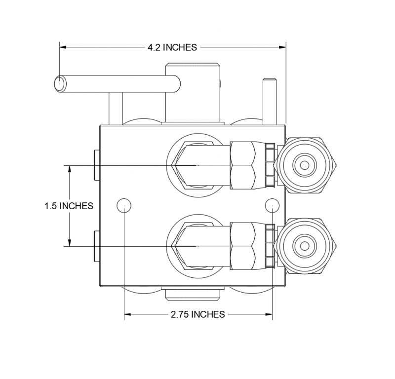
- Puertos con rosca 3/4-16 ORB (-08)
- Los puertos traseros están centrados 1-1/2
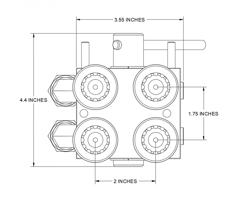
- 2 agujeros de montaje son 1/4″ y son 2-3/4″ en el centro
- Dimensiones del bloque: 3-1/2″ L x 3″ H x 2″ W
Qué incluye:
- Válvula multiplicadora hidráulica manual
- 4 – Enchufes rápidos hembra ISO Estilo ISO/Pioneer
- 2 - Puntas macho ISO / Pioneer con tapones guardapolvo
- Adaptadores ajustables
- 60 días de devolución
- 1 año de garantía
HECHO EN EE.UU.






















Robert -
He comprado una cortadora de mayales para mi 55 caballos new Holland no tenía suficientes mandos a distancia para operar la cortadora de césped, ya que tomó 4 Pedí este bloque de la Cumbre el envío era la velocidad de dios. Fue increíble lo rápido que me lo dieron y funcionó perfecto pieza de muy alta calidad de los equipos muy recomendable el servicio al cliente fue muy útil en responder a mis preguntas
Jameson -
Comprado 2017 instalado en jd2032r con salida trasera para trabajar con la punta de enlace superior y la garra cargador. Han cambiado bajo carga muy rígida y con el motor apagado fácil. No tiene fugas o dejar que la deriva de enlace superior. No me gustan los acopladores suministrados muy difícil de usar, cambiado a cabo. Volvería a comprarlo.
Robbie -
Funciona bien, mantiene la presión de la línea cuando se cambia al servicio alternativo.