SKU: FD50-45-6T-N-44
Operation:
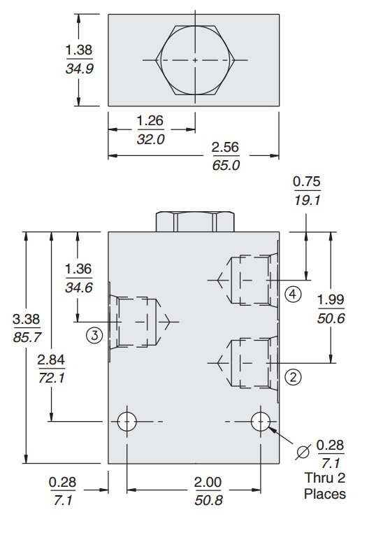
In the dividing mode, this flow divider will divert input flow from port 3 to ports 2 and 4, with a 50:50 ratio, regardless of operating pressure. When the flow direction is reversed the valve will combine flows from 2 and 4 to port 3. Synchronizing flow is provided in both the dividing and combining modes at “bottomed” conditions in cylinder applications and at “stalled” conditions in motor applications.
Features:
- Hardened parts for long life.
- Quiet, modulated response.
- Wide operating flow range.
- Synchronizing in dividing and combining modes.
- Floating cage — high installation torque.
- Ports: #6 SAE (9/16”-18 ORB Thread)
- Buna N seals
- Made in USA
Specifications:
- Operating Pressure: 5000 PSI
- Burst Pressure: 16,000 PSI
- Input Flow: 2.5 – 10 GPM (9.5 – 38 lpm); Ratio: 50:50
- Synchronizing Flow: Approximately 10% of maximum inlet flow
- Flow Accuracy: 10% of inlet flow
- Operating Temperature: -40 to 100°C (-40 to 212°F)










Reviews
There are no reviews yet.