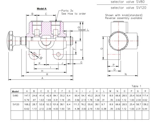
SKU: MSV120-12S
Features:
- Simple method of directing flow from one line to another
- Open-crossover design with chrome plated spool
- High strength cast iron construction
- 2 position, 3 Ports: #12 SAE (1-1/16”-12) Thread
- Max Flow: 32 GPM
- Max Pressure: 3000 PSI
- 2 – 5/16” Mounting Holes












Reviews
There are no reviews yet.